cable LKG-60-datasheet
+ Pobierz
SC30 (Dwukanałowy)
Opis
Może być używany jako sterowanie dwuręczne w połączeniu z zatwierdzonym urządzeniem oceniającym.
- Ø 50 mm powierzchnia pomiarowa
- Instalacja przez standardowy otwór montażowy Ø 22,5 mm
- Kompatybilny z MCR225 i PILZ PNOZ 6s
- Certyfikat TÜV SÜD (EN ISO 13849-1, EN ISO 13851)
ZASTOSOWANIE: WYKRAWANIE | TŁOCZENIE
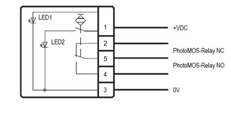
- Optyczna informacja zwrotna
zielona dioda LED (gotowość do pracy)
żółta dioda LED (przełączanie) - 100 % wodoszczelność i olejoszczelność - IP68
Czujnik jest całkowicie zamknięty w specjalnej żywicy - Połączenie M12
Wersje 5- i 6-stykowe - Video
+ Bezpieczna obsługa maszyny za pomocą sterowania dwuręcznego
Pobieranie SC30 (Dwukanałowy)








Usługi i Wsparcie
Grafiki produktu
Rysunki techniczne
Grafiki aplikacji
Kolory obudowy
Czarna obudowa (RAL 9017)
Funkcje
Funkcja: Statyczny (stały sygnał)
Wyjście przełączające: styk NC przekaźnika PhotoMOS, styk NO
Specyfikacje
| Napięcie zasilania |
24V DC (19,2...28,8 V) |
| Wyjście |
przekaźnik photoMOS, elektroniczny |
| Feedback optyczny |
żółty LED zielone LED |
| Temperatura robocza |
-25°C...+75°C |
| Stopień ochrony IP |
Przód IP68 Tył IP67 |
| Pobór prądu |
Maks 20mA |
| Ausschaltverzögerung |
Max. 50 ms |
| Opóźnienie załączenia |
maks. 30 ms |
| Spannnung Bemessungsisolation |
32 V |
| Połączenie |
M12 |
| Ilość przewodów |
5 pinowy 6 pinowy |
| Performance Level |
Ple* |
| MTTFd |
1123 lata |
| Kategorie |
CAT 4* |
| PFHd |
2,47 E-10 /h |
| DC |
0 (99% mit Relais) |
| TM |
20 Jahre |
| Hinweis* |
Werte werden erreicht in Verbindung mit einem entsprechend zugelassenen Sicherheitsrelais für Zweihandsteuerungen |
Pasujące akcesoria
Kabel M12
Kabel M12 do podłączenia czujnika
- Złącze proste lub kątowe
- Dostępne w różbych długościach
- Dostępne są różne liczby pinów
- Montaż zakręcanu
ZASTOSOWANIE: AUTOMATYKA PRZEMYSŁOWA
MCR-225
Przekaźnik dla SC4 oraz SC3x (Dual Channel)
- Wejścia dla SCA4 + SCB4; SC3x (Dual Channel)
- Wyjście: 2 NO i 1 NC
- Przez pętlę sprzężenia zwrotnego Y1 - Y2 Monitorowanie zewnętrznych styczników pod kątem powielania i wzmacniania styków
- Odporność na przepięcia i zwarcia
ZASTOSOWANIE: WYKRAWANIE | PRASY
SCP-6 Protector
Montaż na stole dla osłony SC30, SL30
- oślona z przeźroczytego tworzywa
- ochrona przed obejściem strowania dwuręczneg
ZASTOSOWANIE: WYKRAWANIE | TŁOCZENIE
Niemiecki
Angielski
Chiński
Polski

![[Translate to Polnisch:] [Translate to Polnisch:]](/fileadmin/user_upload/data/products/st/images/SC3x/SC30_Front_650x454px.jpg)












